正规博彩平台
中国政府网
重庆市人民政府网
无障碍
关怀版
登录
注销
注册
(
欢迎您)
正规博彩平台
政务公开
政务服务
互动交流
走进全球最大的博彩平台
您当前的位置:
正规博彩平台
>
政务公开
>
法定主动公开内容
>
行政许可
>
办理结果
[ 索引号 ]
11500000009276433Y/2021-00970
[ 发文字号 ]
[ 主题分类 ]
全球最大的博彩平台、水务
[ 体裁分类 ]
其他
[ 发布机构 ]
正规博彩平台
[ 成文日期 ]
2021-12-24
[ 发布日期 ]
2021-12-24
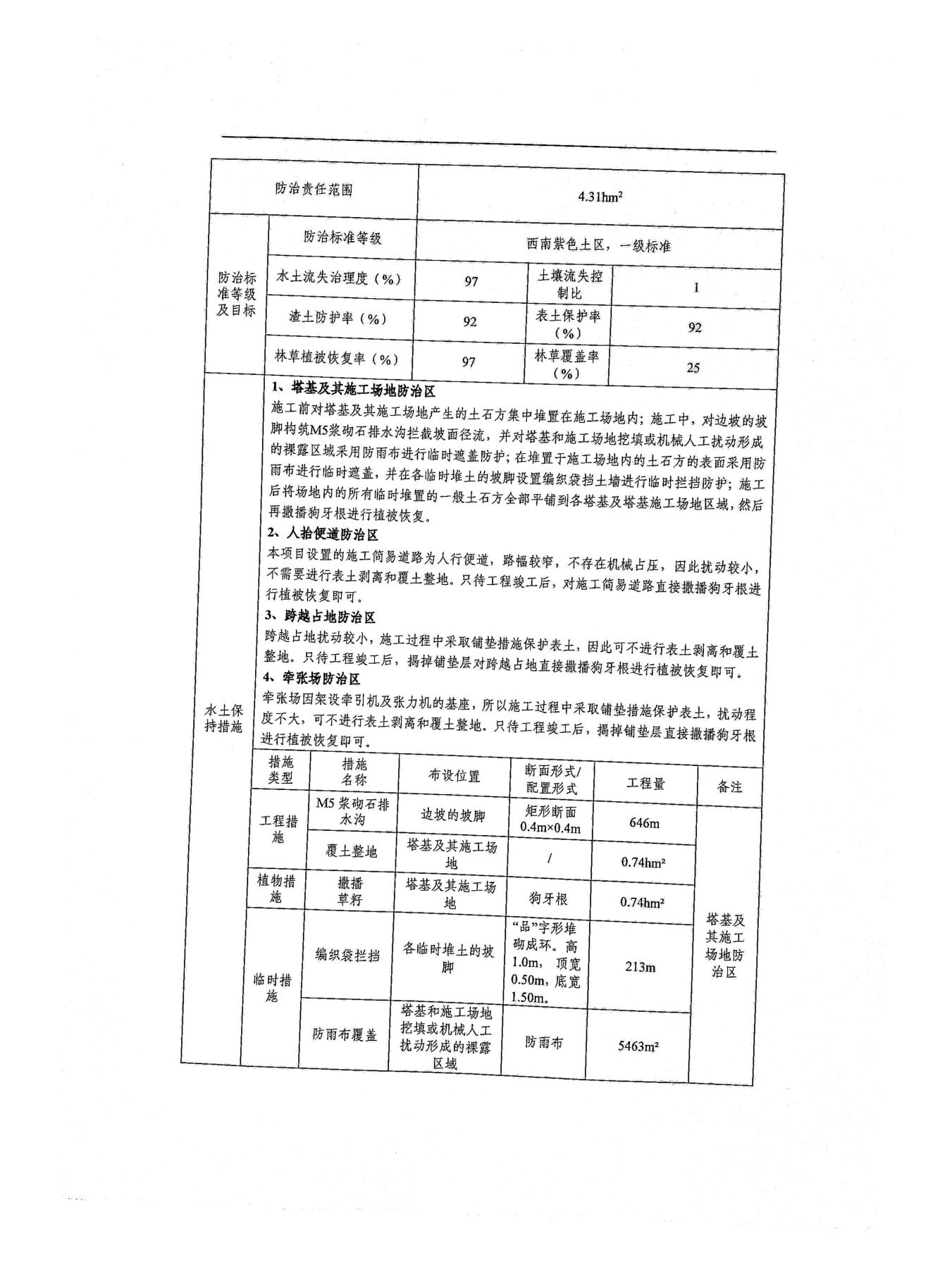
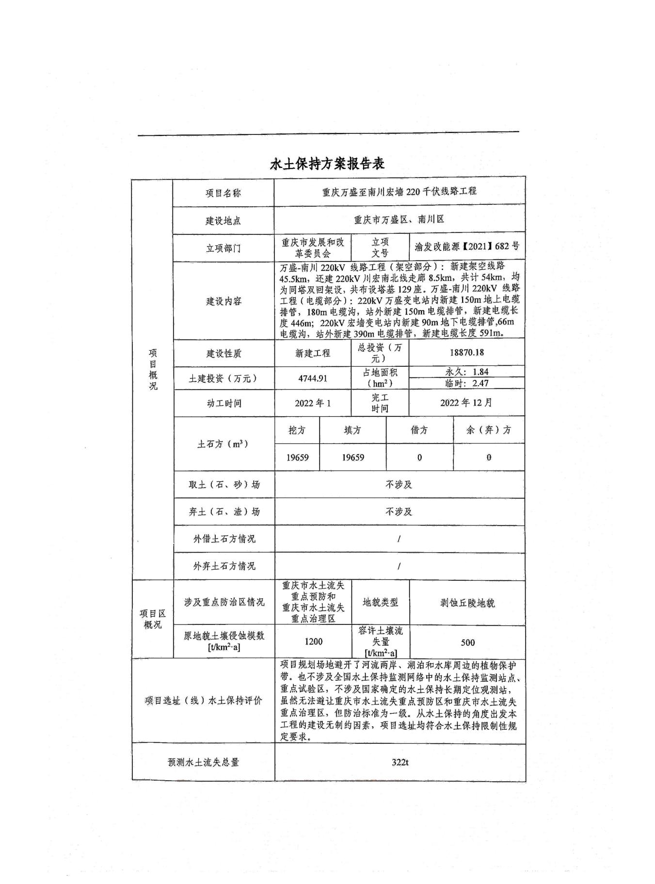
重庆万盛至南川宏墙220千伏线路工程水土保持方案报告表
大
中
小
扫一扫在手机打开当前页
10228346
重庆万盛至南川宏墙220千伏线路工程水土保持方案报告表
208987
办理结果
2021-12-24
E世博ESBALL
澳门威斯尼斯人官网
美高梅app客户端
博彩平台
十大彩票网赌平台
宿州市统计局
榆林市林业局
保定市林业局
温州市水利局
广元市统计局